suncitygroup太阳成集团(中国)-官方网站
首页
企业资质与概况
新闻中心
suncitygroup太阳
投资者关系
人才招聘
公示栏
联系我们
EN
公司业务板块
当前位置:
网站首页
>
公司业务板块
>
煤化工领域
新材料领域
城市公共服务领域
高级碳材料领域
煤化工领域
煤基清洁能源领域
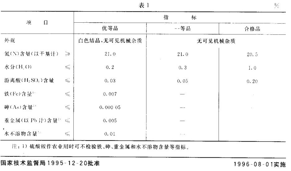
硫酸铵
硫酸铵执行合格品
0464-2924567
分享到:
规格参数
硫酸铵执行合格品
性能表征
硫酸铵执行合格品
Copyright © suncitygroup太阳成集团(中国)-官方网站 版权所有
黑ICP备13000448号-1
黑公网安备23090002000105